Sign In | Join Free | My wneducation.com
China Wenzhou New Blue Sky Electrical Co.,Ltd logo
Wenzhou New Blue Sky Electrical Co.,Ltd
Wenzhou New Blue Sky Electrical Co.,Ltd Focusing on Circuit Breaker manufacturing High quality materials, professional production
Active Member

7 Years

Home > Molded Case Circuit Breaker >

Electronic Adjustable Circuit Breaker With Material High Current Tripping Function

Wenzhou New Blue Sky Electrical Co.,Ltd
Contact Now

Electronic Adjustable Circuit Breaker With Material High Current Tripping Function

Brand Name : NBSe

Model Number : KCM1E

Certification : CE,ISO9000

Place of Origin : CHINA

MOQ : 50pcs

Price : Negotiable

Payment Terms : L/C, T/T, Western Union

Supply Ability : 10,000pcs per month

Delivery Time : 10-20day

Packaging Details : Export Carton

Material : ABS, COPPER

Type : Mold Case

Poles number : 3 pole

Rated Frequency : 50/60Hz

Standard : IEC60947-2

Rated Current : 50A-125A

Contact Now

NBSe Electronic adjustable three phases MCCB 3 pole 125 amp electrical moulded case circuit breaker

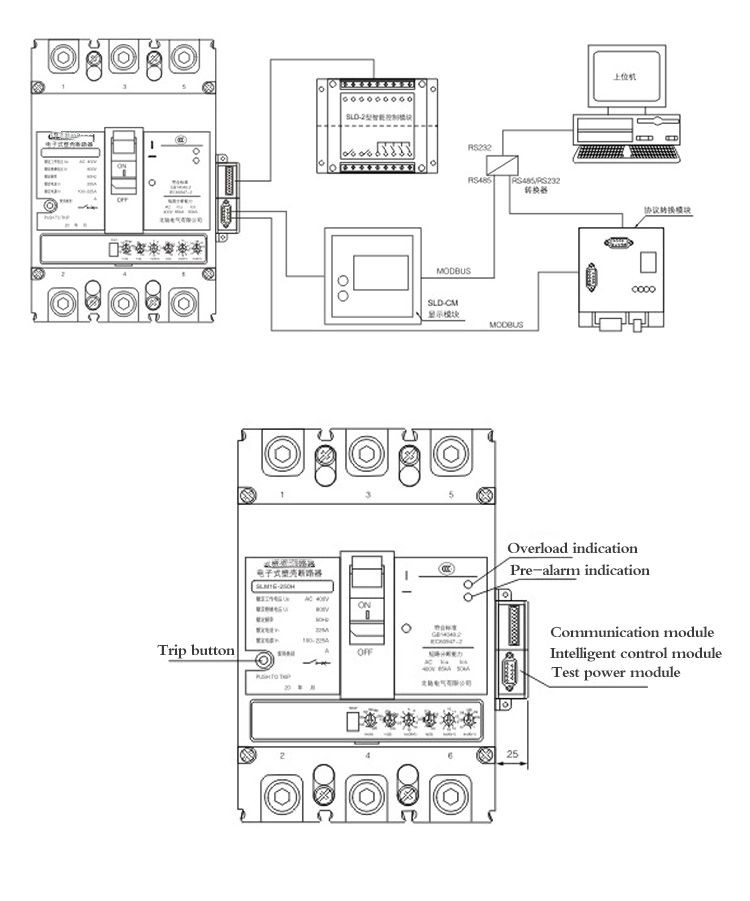
1. Main functions and features

The intelligent controller is the core component of the molded case circuit breaker. It is applied to motor protection or distribution protection to realize the functions of measurement, protection, control and communication, so that the line and power supply equipment are protected from overload, short circuit and grounding.


With MCU microprocessor control, the performance is stable and reliable: the intelligent controller can supply power automatically, as long as one phase is energized, when the current is not lower than 20% of its rated value, the protection function can be guaranteed to work normally.
Selective fit with three-stage protection: use circuit breakers of category B and other short-circuit protection devices connected in the same circuit with selective coordination under short-circuit conditions: overload long delay inverse time limit, short circuit delay, short circuit transient, etc. Setting of protection function parameters


It has three sets of protection parameters for action current and action time. 4-10 steps can be adjusted: the user can adjust the settings according to the load current requirements, or select the function according to the user's requirements to turn off the corresponding function (customized function. Note when the user orders);


High-current instantaneous tripping function: When the circuit breaker is closed or during operation, if short-circuit high current (> 20 [nm) is encountered, the magnetic tripping mechanism of the circuit breaker can be tripped directly, and the double protection is more reliable and safe;
With trip test (test) function: input DC DC12V voltage test circuit breaker action characteristics;
Fault self-diagnosis function: protect and check the working status and running quiet condition of the intelligent controller itself;
High protection tip: overload protection, short-circuit short-delay protection action time accuracy t 10%; short-circuit instantaneous protection action value tip is 15% depending on the action current:

2. Technical Parameter

Type KCM1E-125 KCM1E-250
Shell frame grade current Inm(A) 125 250
Rated current In(A)

16.20.

25.32

32.36.40.45.

50.55.60.63

63.65.70.75.80.

85.90.95.100.125

100.125.140.160.

180.200.225.250

Rated operational voltage Ue(V) AC400V
Rated insulation voltage Ui(V) AC800V
Rated impulse withstand voltage Uimp AC8000V
Number of poles 3 4 3 4
Rated limit short circuit breaking capacity level M H M H
Rated ultimate short-circuit breaking capacity Icu(kA) 50 85 50 50 85 50
Rated operating short-circuit breaking capacity Ics(kA) 35 50 35 35 50 35
Use category A A
Operating performance (times) power ups 3000 3000
No power 7000 7000
Flying fox distance(mm) ≤50 ≤50

Please contact us for latest price,we'll updated price according to your QTY and Package .

Product Application

Electronic Adjustable Circuit Breaker With Material High Current Tripping Function

Our Services

(1) Warranty ( 24 months warranty )

1. The warranty starts from the delivery date from our factory;

2. During the warranty, any defective product will get repaired or replaced for free ;

3. It is beyond the warranty as the products breaked by the violence , the carelessness or repaired , altered without authorization.

(2) Lead Time

1. Sample orders will be delivered from our factory within 7 working days.

2. General orders will be delivered from our factory within 7-15 working days.

3. Bulk orders will be delivered from our factory within 25 working days at most

(3) Shippment

1. By EMS, DHL, FedEx, TNT, UPS or other express.

2. By our forwarding agent (by air or by sea).

3. By your own forwarding agent.

4. By domestic forwarding agents to any city in China

Note:
KCLM1 series is an undervoltage release module
KCLM1L series is the leakage alarm module
KCLM1E series is a communication module


Product Tags:

high voltage circuit breaker

      

motorized circuit breaker

      
Buy cheap Electronic Adjustable Circuit Breaker With Material High Current Tripping Function product

Electronic Adjustable Circuit Breaker With Material High Current Tripping Function Images

Inquiry Cart 0
Send your message to this supplier
 
*From:
*To: Wenzhou New Blue Sky Electrical Co.,Ltd
*Subject:
*Message:
Characters Remaining: (0/3000)